NEWCOM, INC.

33600 EFX EXTERNAL

Card Type

Modem (asynchronous/synchronous)

Chipset

Rockwell

Maximum Data Rate

33.6Kbps

Maximum Fax Rate

14.4Kbps

Data Modulation

Bell 103A/212A

ITU-T V.21, V.22, V.22bis, V.23, V.32, V.32bis, V.34

Rockwell V.FC

Fax Modulation

ITU-T V.17, V.21CH2, V.27ter, V.29

Error Correction/Compression

MNP5, MNP10, V.42, V.42bis

Fax Class

Class II

Data Bus

Serial

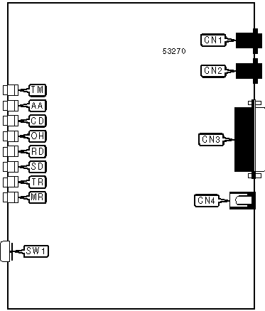
CONNECTIONS

Function

Label

Function

Label

Telephone line

CN1

DC power in

CN4

Telephone line

CN2

Power switch

SW1

Serial port

CN3

   

DIAGNOSTIC LED(S)

LED

Color

Status

Condition

TM

Red

On

Modem is performing diagnostic test

TM

Red

Off

Modem is not performing diagnostic test

AA

Red

On

Auto-answer enabled

AA

Red

Off

Auto-answer disabled

AA

Red

Blinking

Phone is ringing

CD

Red

On

Carrier signal detected

CD

Red

Off

Carrier signal not detected

DIAGNOSTIC LED(S) (CON'T)

LED

Color

Status

Condition

OH

Red

On

Modem is off-hook

OH

Red

Off

Modem is on-hook

RD

Red

On

Modem is receiving data

RD

Red

Off

Modem is not receiving data

SD

Red

On

Modem is transmitting data

SD

Red

Off

Modem is not transmitting data

TR

Red

On

DTR signal is high

TR

Red

Off

DTR signal is low

MR

Red

On

Power is on

MR

Red

Off

Power is off

SUPPORTED STANDARD COMMANDS

Basic AT Commands

+++, ‘comma’, A/

A, E, H, L, M, N, O, P, Q, T, V, W, X, Y, Z

&C, &D, &F, &G, &J, &K, &L, &M, &P, &Q, &R, &S, &T, &V, &W, &X, &Y, &Z

Extended AT Commands

\A, \B, \J, \K, \L, \N

%C, %E, %L, %Q, %TT

Special AT Commands

+MS

S-Registers

S0, S1, S2, S3, S4, S5, S6, S7, S8, S9, S10, S11, S12, S14, S16, S18, S21, S22, S23, S24, S25

S26, S27, S29, S30, S31, S32, S33, S36, S38, S39, S46, S48, S82, S86, S91, S92, S95

Note: See MHI help file for complete information.

Proprietary AT Command Set

See NEWCOM, INC 33600 IFX INTERNAL for a full command summary.